
匝間測試儀原理是對線圈施加一個高電壓脈沖,通過振蕩電路產生層間電勢差,根據層間放電來判斷絕緣不良,它的主要作用是檢測線圈內部層間絕緣性能。小編從技術角度跟大家分享匝間測試儀原理。

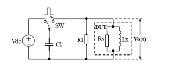
通過該電路圖我們可以看出匝間測試儀就是—個脈沖源,它可以產生一定頻率的高壓脈沖,采用“脈沖波形比較法”的方法來檢驗繞組對稱平衡情況,因為施加的高壓脈沖波時間短,能量小,故被認為是“無損試驗”。

“脈沖波形比較法”:即利用施加于被測線圈繞組兩端規定峰值的脈沖電壓,顯示脈沖電壓在被試品中引起的衰減振蕩波形。參考線圈波形做比較才能對比出被試線圈是否異常,因此在實際進行匝間耐壓試驗時,至少要有兩個線圈,一個是標準參考線圈作為對比的對象,另一個作為被試線圈,匝間測試儀采集存儲標準線圈的波形后,再測試線圈波形與標準波形進行對比,兩條曲線差異程度反應了被試品匝間絕緣程度。如果兩個波形相差不大,就說明兩個線圈的參數相差不大,可以判斷被試線圈同樣不存在匝間故障和隱患。
“相差大不不大”如何定義呢,我們可以從以下幾個指標來量化和對比:
1、差積:通過計算標準件與被測件波形所包圍面積與標準波形面積的比值,來判斷波形重合程度;

2、面積:通過計算標準件與被測件波形包圍零點中線的面積,比較其差異,用百分比表示;

3、相位:檢測過零點位置,計算測試件與標準件波形過零點位置差異,用百分比來表示,公式如下:

4、電暈:檢測電暈放電部分的量值,此值在測試條件(沖擊電壓,采樣頻率)固定的情況下,檢測在第一振蕩區間內振蕩波放電產生的高頻毛刺量值;

常見波形差異還有以下幾種情況:(以下虛線為標準波形,實線為被測試波形)
1、在其它條件同等的情況下,當發生測試波形振蕩頻率低于標準波形時,可判斷被測試線圈電感量較大,可能發生的情況是:線圈匝數增加了。

2、在其它條件同等的情況下,當發生測試波形振蕩頻率高于標準波形時,可判斷被測試線圈電感量較小,可能發生的情況是:線圈匝數減少了或局部短路。

3、在其它條件同等的情況下,當發生測試波形前半部分一致后半部分短路時,可判斷被測試線圈隨電能量振蕩的衰減而不能起振了,可能發生的情況是:線圈接頭發生虛焊,電壓高時虛焊間隙由于電壓沖擊爬電距離不足,形成放電通路,電壓降低后,回路又到斷路狀態,振蕩停止。

4、在其它條件同等的情況下,當發生測試波形為一條中心直線時,可判斷被測件為短路狀態。可能情況是被測試線圈短路。

5、在其它條件同等的情況下,當發生測試波形為一條緩慢趨進于中心線的曲線(也可能是在底部一條近似水平線)時,可判斷被測試線圈為開路狀態。可能情況是線圈斷線。

6、在其它條件同等的情況下,當發生測試波形與原波形曲線不僅在幅度而且在頻率相位方面都有較明顯差異時,可判斷被測試線圈的電感量及固有阻抗參數方面有較大差別,即是發生匝間耐壓不良,實際波形中可能出現變形、毛刺、測試件有放電等現象。另外也可能來自部件產品特性差異、材料差異或加工方法差異等。

線圈絕緣是電機的命脈,電機的壽命很大程度上取決于絕緣的壽命,因此在制造過程和出廠試驗,匝間是必不可少的。艾普智能研究各行業電機特性,研制出針對不同電機的匝間測試技術,為電機安全穩定地運轉提供有效的保障!
本文由專注全球電機測試的艾普智能原創編寫,版權所有,侵權必究,轉載請注明出處。
魯公網安備37021302000917號