
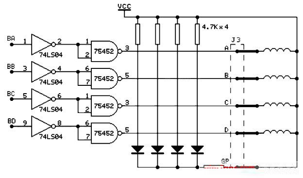
步進電機是工業控制及儀表中最常用的控制元件之一,它有輸入脈沖與電機軸轉成比例的特征,在智能機器人、軟盤驅動器、數據機中廣泛運用,微電腦控制步進電機系統中設計使用20BY-0型號步進電機,它實用+5V直流電源,步距角為18度,電機線圈由四相組成。如下圖所示,即A、B、C、D四相。驅動電路由脈沖信號控制,所以調節脈沖信號的頻率便可以改變步進電機的轉速。途中BA、BB、BC、BD即為脈沖信號輸入插孔,驅動器輸出A、B、C、D接步進電機。

青島艾普智能儀器有限公司專注于電機測試,提供一站式電機測試方案,始終秉承“以客戶為中心,以奮斗者為本”的企業理念,不斷完善電機測試的解決方案,全力參與全球電機測試行業的競合。
魯公網安備37021302000917號